更多精彩,点击关注“技成PLC课堂”案例1 电机测速应用如何测量下面电机的速度(编码器的分辨率为400个脉冲每转)(单位:转/分钟)。这个编码器属于NPN输出的,输出低电平,AB相输出接入到plc的X0和X1,plc的公共端接入24V。本案例只需要测量速度,没有测量距...
更多精彩,点击关注“技成PLC课堂”案例1 电机测速应用如何测量下面电机的速度(编码器的分辨率为400个脉冲每转)(单位:转/分钟)。

这个编码器属于NPN输出的,输出低电平,AB相输出接入到plc的X0和X1,plc的公共端接入24V。

本案例只需要测量速度,没有测量距离的要求,因此可以不用高速计数器,只需要使用SPD指令(脉冲密度测量),第*个参数指定X0作为测量电,规定时间为1000ms,即1s,把每1s接收到的脉冲数读取到DO里。通过FLT指令把D0的数据类型转换成浮点数,正常的转速度定位是转/分钟,把秒转换成分钟,要乘以60,编码器分辨率是400个脉冲每转,因此需要除以400,因此D0的结果需要乘以60除以400,也就是乘以0.15,得到的结果才是正确的单位。

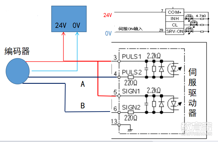
案例2 伺服电机的同步控制如下,编码器(分辨率400,输出低电平)接到伺服电机的脉冲输入口(伺服选择松下A5型号),要实现这个普通电机和伺服电机的同步,该如何实现电机和伺服同步。

需要接入的信号有伺服使能、脉冲口A/B相,给电机驱动器7号和29号引脚一个24V,让电机上电就一直使能,编码器为NPN输出类型,给到伺服的信号为低电平信号,因此接到对于两个信号口的负端4号和6号引脚,信号的正端3号和5号直接接24V电源。

伺服驱动器需要把模式设置为位置模式(PR0.01设置为0)

把每转脉冲和编码器分辨率一一对应,设置为400

最后,因为编码器发生的脉冲是AB线的交替差分信号,伺服电机就要选择对应的输入模式,把PR0.07设置为0或者2

案例3 光栅尺位置信息获取如下,有一个光栅尺,使用三菱FX3U的plc如何获取到光栅尺的位置信息,并且计算出实际距离。

光栅尺输出的信号为高电平,把A、B、Z相信号接到X0、X1、X2这3个点,plc公共端接入负电源。


使用高速计数器C252,X0 、X1作为AB相记录脉冲位置,X2作为复位信号,这个是光栅尺里面特定的一个点,碰到了,就是自动复位C252,这个点作为原点。据脉冲当量20um,也就是0.02mm,读取出来的脉冲数,需要用FLT指令转换成浮点数,去乘以脉冲当量,就得到实际的位置。


案例4 流量计的应用如下,有一个流量计,使用三菱FX3U的plc如何获取到流量计的流量速度(若需要或者流过液体的总体积,该如何计算)

PLC公共端接入正24V,因此X点接收端的信号应为负,所以把负电压接入流量计负端,流量计正端信号接到X0即可。

下面程序可以计算出对于的流量,使用SPD测量速指令测量出1s的脉冲数,1s的脉冲数也就是脉冲的频率,0~10000对应的是流量0~10,是1000倍的关系;因此,该数据需要去除以1000才得到真实的流速(单位

/H) 。

M8013每隔1s导通1次,做个加法累加一次,得到的就是总流量,上面求出的值的单位需要转换为秒,因此需要除以3600s,得出的才是实际的流速,保存在D2,然后用加法指令去累加,得到的就是累计流量。另外设置了一个清空按钮X1,按下即可清空累计流量。

思考1.案例2中,如果要编码器自动6圈,伺服电机自动7圈,应该如何设置才能更加精准(提示:电子齿轮比)2.案例3中,没有5V电压,只有24V电压,应该怎么处理?3.案例1不使用SPD指令,而使用高速计数器,该如何去计算?免费领取小编今天整理了1117例PLC项目实操案例,里面包含了各行各业的一些经典项目应用,喜欢的朋友扫码免费领取学习!



1117个PLC案例长按二维码,立即领取

点分享

点收藏

点点赞

点在看
电工培训,PLC培训,机器人培训